The SR-1 is a custom raceplane designed to break speed, distance and altitude records in the c1a-0 category (piston aircraft under 300kg).

This project represents a synthesis of all the skills I’ve gained (and still learning!) over the past 14 years working in aerospace.

Click here to see latest updates on the project Facebook page.

I designed the SR-1 in Solidworks. The majority of parts are vacuum-bagged carbon fiber in CNC’d foam molds.

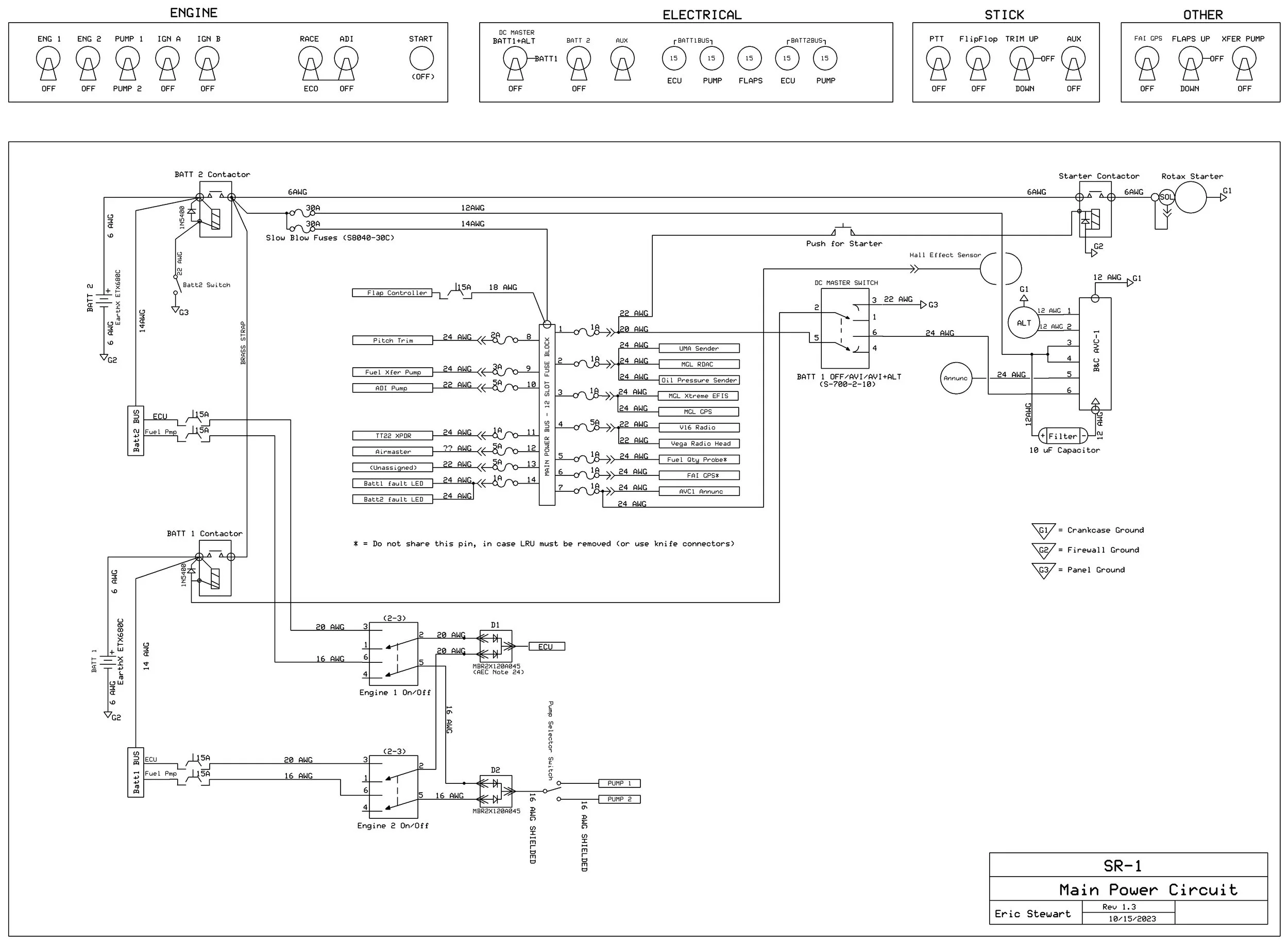
I designed the electrical/avionics system for maximum reliability and minimum weight.

I modified the SR-1 laminar airfoil in XFOIL for improved performance at high speed.

I often find the best engineers have great people skills. I enjoy working with teams, and have positively interacted with scores of advisors, vendors and interns on this project.

3D printed press mold for the canopy lock mechanism. 3d printing has become an essential part of my design process.

SR-1

PRoject